12361-AND-SBC-MT8365 - NEW PRODUCT
A53
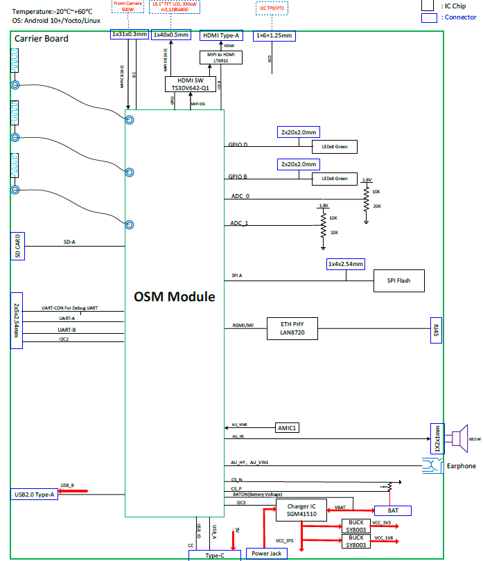
AND-SBC-MT8365 is Single Board Computer built around the MediaTek G350 chipset which integrates a fast 2GHz quad-core ARM Cortex-A53 CPU, ARM Mali GPU high performance graphics, an APU and audio engine for voice and vision processing edge AI applications.
- MediaTek MT8365 (G350), quad-core Cortex-A53
- ARM-Mali G52 GPU
- Cadence® Tensilica® VP6 APU for AI
- Internal HiFi4 audio engine
- 4GB RAM and 32GB eMMC
- Ethernet, WiFi & BT integrated
- RTC and watchdog supported
- Linux and Android OS
The information provided on this page is subject to change without notice. Please contact us for additional information.
Feature | Specification |
---|---|
Part Number | 12185 |
CPU Architecture | MTK MT8365 (G350), Quad-core ARM Cortex-A53 processor, up to 2.0GHz |
GPU | ARM Mali-G52 GPU, 600MHz |
APU | Cadence® Tensilica® VP6 processor, 700MHz at 0.825V |
Memory | 4GB LPDDR4 |
Storage | 32GB eMMC 5.1 |
WiFi/BT | 802.11 1/b/g/n/ac Bluetooth 5.0 |
Video Processing | 1080p60, H.265/H.264/JPEG video encoder 1080p60, H.265/H.264/VP9 video decoder |
Audio DSP | Tensilica® HiFi4 |
Display Interface | 1 x 4-lane MIPI DSI up to 1920 x 1080 @60Hz |
Camera | 1 x 4-lane MIPI CSI, 13MP @ 30fps |
Audio | 1 x 3.5mm combo audio jack, 1 x speaker connector, 1 x DMIC |
USB | 1 x USB 2.0 type-A 1 x USB Type-C (USB 2.0 OTG supported) |
I2C | 2 x I2C (one connector, one on the GPIO header) |
GPIO Header | 9 x GPIO 1 x Debug UART (1.8V) 2 x Communication UART (TTL) 1 x I2C 1 x PWN |
SD Slot | 1 x MicroSD slot |
PWM | Supported |
Key | 1 x Power key, 1 x Reset key, 1 x Volume+ key, 1 x Volume- key |
Battery | 1 x Battery connector |
Power Supply Voltage | 5V/1A DC Input, 1 x power jack |
Dimensions | 142 x 90 x 18.84mm |
OS Support | Android 10+ Linux Yocto Linux (support by request) |
* Optional feature available on this product



Development Kit
Hardware
- AND-SBC-MT3865-EVB evaluation board (carrier board + SOM)
- 7” open frame touchscreen monitor (1024 x 600, 300 nits)
- Power adapters (5VDC for board, 12VDC for monitor)
- Touch USB cable
- HDMI cable
Bringing your product to life with compliance, reliability and performance in mind
At Anders we understand that no two customers are the same, which is why we specialise in custom embedded solutions and offer a unique products tailored to the end application. Please contact us for more information.
Embedded Board Design
Custom board design of any shape or size to your exact application specifications.
Hardware Design
Custom board design of any shape or size to your exact application specifications.
Software Integration
Support for display initialisation, porting (touch) drivers, enabling hardware control and more.
Mechanical Integration
Display and embedded integration: enclosures, mounting holes, gaskets, cable assembly and more.